Skip to main content
Освітній портал
  • Home
  • More
English ‎(en)‎
Українська ‎(uk)‎ English ‎(en)‎
You are currently using guest access
Log in
Home
Skip Online users
Online users
No online users (last 5 minutes)
  1. Технологічне проектування АТП і СТО та сервіс автомобілів
  2. Лабораторне заняття №1. 17.02.25 13:30-14:50;

Лабораторне заняття №1. 17.02.25 13:30-14:50;

Завдання:
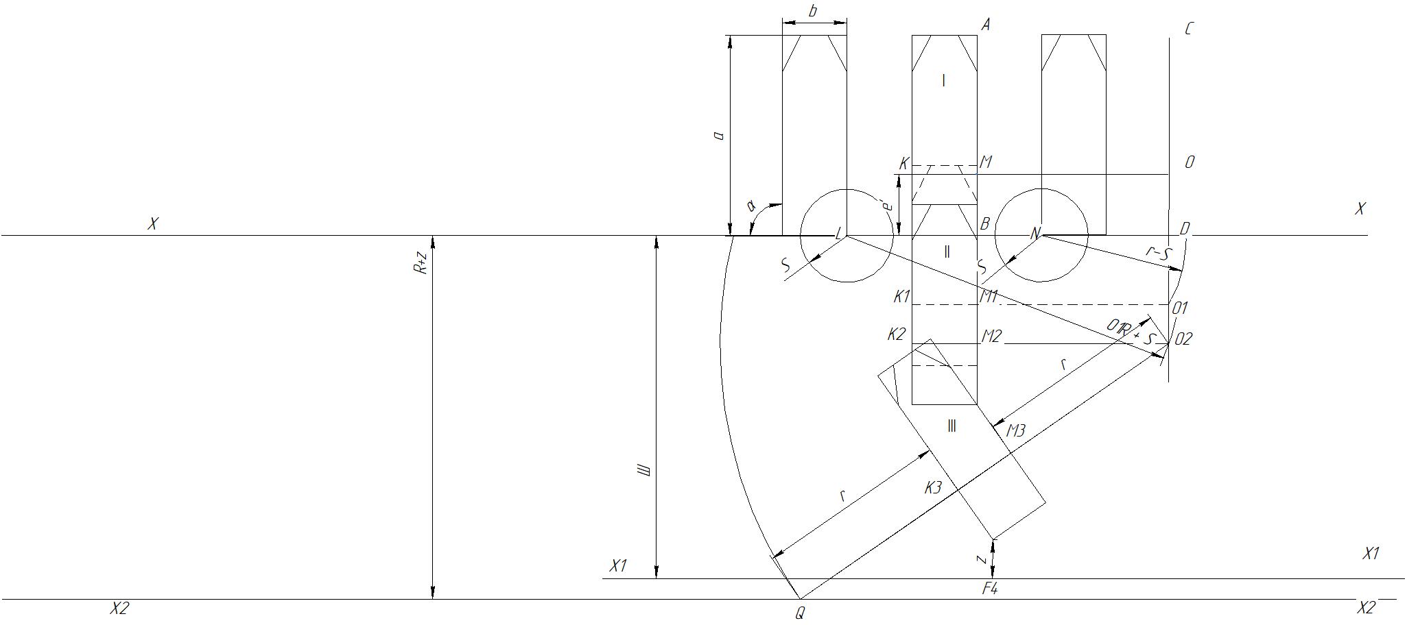
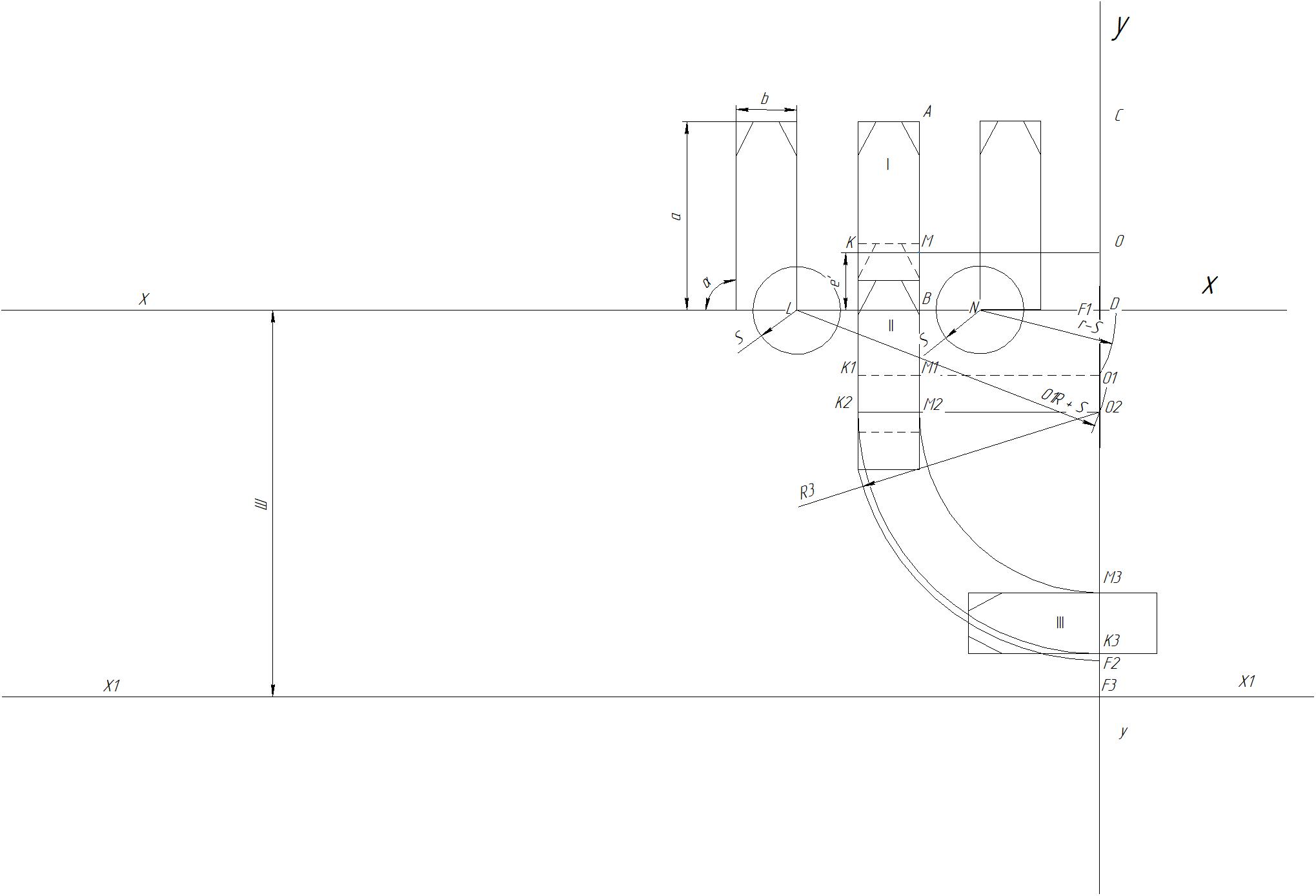
1. Виконати завдання лабораторної роботи № 1. Завдання взяти з табл. А.1 згідно з варіантом. Варіант згідно номеру в групі, ААГ-24 з 1 по 35, ААГ-24к 36. 

Виконані завдання надіслати викладачу для перевірки katt_boo@ztu.edu.ua

    • Креслення 1.1.jpg
    • Креслення 1.2.jpg
    • ЛР 1.docxЛР 1.docx
You are currently using guest access (Log in)
Data retention summary
Get the mobile app
Powered by Moodle