Перейти до головного вмісту
Освітній портал
  • На головну
  • Більше
Українська ‎(uk)‎
Українська ‎(uk)‎ English ‎(en)‎
Наразі ви використовуєте гостьовий доступ
Увійти
На головну
Пропустити Зараз на сайті
Зараз на сайті
Немає користувачів (останні 5 хвилин)

    Гідромеханіка

    Структура за темами

    • Загальне

      Згорнути все Розгорнути всі
      • значок Форум
        Оголошення Форум
      • значок Файл
        Памятка Академічна доброчесність Файл
      • значок Файл
        Критерій оцінювання Файл
    • 2024-2025 н.р.

      • значок Тест
        Тести
      • значок Файл
        Робоча програма РР, ГГ Файл
      • значок Файл
        Лекції Файл
      • значок Файл
        МР для проведення лабораторних робіт Файл
      • значок Файл
        МР для виконання самостійної роботи Файл
      • значок Файл
        Література Файл
      • значок Файл
        Альбом схем Файл
      • значок Файл
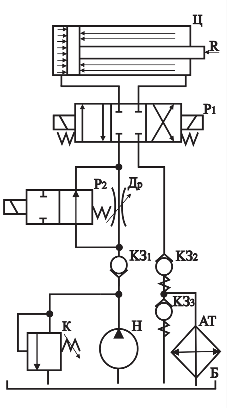
        Схема гідравлічна принципова Файл
      • значок Тека
        Схеми до лабораторних робіт 1-3 Тека
      • значок Файл
        Двигуни_схеми Файл
      • значок Файл
        Насоси_схеми Файл
      • значок Файл
        Опис конструкції та принципа діі аксиально-поршневого насоса Файл
      • значок Файл
        ЗГГ_ЗРР_ТЕСТИ Файл
    • 2023-2024 н.р.

      • значок Файл
        Циклограма Файл
      • значок Файл
        Схематичне зображення кл. прямої дії Файл
    Наразі ви використовуєте гостьовий доступ (Увійти)
    Підсумок збереження даних
    Завантажте мобільний додаток
    На основі Moodle